1A2 grinding wheels

1A2 grinding wheels

1A2 grinding wheels

Precise 1A2 Flat Grinding Wheels for Processing Diamonds and Precious Stones

Achieve exceptional precision in processing diamonds, precious, and semi-precious stones with our specialized 1A2 flat grinding wheels. These wheels are designed for the finest processing, ensuring superior quality and brilliance.

Key Features and Benefits:

  • Specialized 1A2 Shape: Flat grinding wheels of the 1A2 shape are ideal for precise processing of diamonds, precious, and semi-precious stones.
  • Superior Processing Quality: Enable exceptionally precise grinding and polishing, crucial for achieving the desired shape and brilliance.
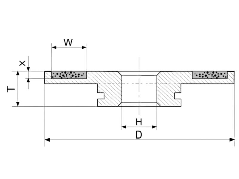
  • Fully Customizable Dimensions: The possibility of custom ordering with specifications such as wheel diameter (D), wheel height (T), width (W), layer thickness (X), and bore diameter (H), allows for a perfect fit for your machines.
  • Durability and Performance: Manufactured to ensure durability and exceptional performance in processing the hardest materials.
  • Ideal for Jewelers and Lapidaries: These grinding wheels are essential for jewelers, lapidaries, and all professionals involved in precious stone processing, offering superior processing quality and efficiency.